Klemme für WINTERHOFF KLE60 60mm Stützrad
- Die WINTERHOFF KLE60-Klemme eignet sich für Stützräder und feste Halterungen mit einem Rohrdurchmesser von 60 mm. Sie wird an Autotransportanhängern und Pritschenanhängern verwendet. Sie verfügt über einen praktischen Griff zum Öffnen und Schließen und wi
Im Set günstiger

Stützrad mit Klemme WINTERHOFF ST60-255SB+KLE60 250 kg 60 mm 525–755 mm
Klemme für WINTERHOFF KLE60 60mm Stützrad
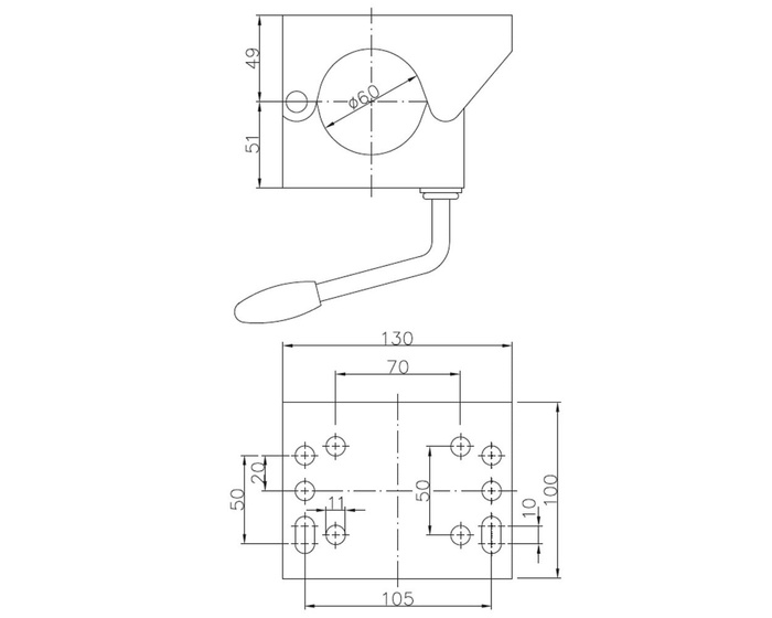
Die KLE60 -Klemme von WINTERHOFF dient zur Montage eines Stützrads oder einer Halterung mit 60 mm Rohrdurchmesser und gewährleistet eine stabile und sichere Befestigung an der Anhängerdeichsel. Die Klemme ist 130 mm lang und 100 mm breit und bietet somit eine ausreichende Klemmfläche und sicheren Halt für das Rohr. Sie verfügt über zehn Befestigungslöcher mit 11 mm Durchmesser und einem Lochabstand von 105 x 50 mm , die eine einfache und präzise Montage an der Anhängerkonstruktion ermöglichen.

Zulässige Last
Die maximale Tragfähigkeit der Klemme beträgt 500 kg . Dieser sehr hohe Wert gewährleistet eine besonders stabile und sichere Befestigung des Stützrads an der Anhängerkupplung. Dank dieser hohen Tragfähigkeit bleibt das Stützrohr auch unter schwereren Lasten fest an seinem Platz, wodurch das Risiko von Lockerung und Verschiebung minimiert wird. Die robuste Konstruktion der Klemme erhöht die Betriebssicherheit und die Widerstandsfähigkeit des Gesamtsystems gegen Überlastung. Die Einhaltung der maximalen Tragfähigkeitsparameter sichert die Langlebigkeit der Montagekomponenten und gewährleistet einen langen, störungsfreien Betrieb.

Korrosionsschutz
Die Stützradklemme besteht aus elektrolytisch verzinktem Stahl und bietet so wirksamen Korrosionsschutz und eine lange Lebensdauer, selbst bei intensiver Nutzung im Freien. Die Zinkbeschichtung schützt die Stahlkomponenten vor Feuchtigkeit, Streusalz und Witterungseinflüssen und erhöht dadurch die Haltbarkeit und Widerstandsfähigkeit gegen mechanische Beschädigungen.
Die Klemme ist ein wichtiges Befestigungselement für das Stützrad bzw. den Stützfuß und ermöglicht eine stabile und sichere Verbindung mit der Deichsel des Anhängers. Sie fixiert das Stützrohr sicher und gewährleistet so die Sicherheit beim Parken und Rangieren. Die Klemme erleichtert das Abstützen der Deichsel, das schnelle An- und Abkuppeln des Anhängers sowie das manuelle Rangieren auf dem Hof, der Einfahrt oder in der Werkstatt. Diese praktische und zuverlässige Lösung, die bei Transportanhängern, Bootsanhängern und Wohnwagen zum Einsatz kommt, garantiert Langlebigkeit und Stabilität. Überprüfen Sie aus Sicherheitsgründen vor jeder Fahrt den Hebeldruck und den Zustand des Stützrads.
Beim Kauf eines Produkts aus unserem Sortiment erhalten Sie eine 2-jährige Garantie. So können Sie es nutzen, ohne sich Gedanken über die Folgen eines möglichen Defekts zu machen. Da wir uns um Ihre Zufriedenheit kümmern, haben wir das Verfahren zur Einreichung einer möglichen Reklamation so einfach wie möglich gestaltet - Sie müssen nur das auf unserer Website verfügbare Formular ausfüllen und abschicken.
Haben Sie Fragen zur Auswahl oder Anwendung unserer Produkte? Nehmen Sie Kontakt mit uns auf! Die Spezialisten von Unitrailer geben Ihnen gerne alle Informationen, die Sie benötigen.














